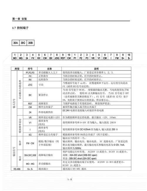
LG 43LG61CH-CK 核心参数概览
| 类别 | 参数 | 详细说明 |
|---|---|---|
| 基本参数 | 型号 | 43LG61CH-CK |
| 屏幕尺寸 | 43 英寸 (对角线) | |
| 屏幕分辨率 | 3840 x 2160 (4K Ultra HD) | |
| 屏幕类型 | VA 面板 (非 IPS) | |
| 刷新率 | 60Hz | |
| HDR 支持 | 支持 HDR10 | |
| 处理器 | Quad-Core Processor (四核处理器) | |
| 操作系统 | webOS 22 | |
| 存储空间 | 5GB RAM + 8GB ROM | |
| 画质性能 | 图像处理技术 | LG 的四重高清画质处理技术 (Quad HD Up-scaling) |
| 运动优化 | TruMotion 120 (通过插帧技术实现,原生为60Hz) | |
| 色彩表现 | 具备良好的色彩表现,但属于入门级水平,色域范围一般 | |
| 屏幕亮度 | 属于入门级亮度,在明亮环境下可能会有反光,细节表现会打折扣 | |
| 对比度 | VA 面板的特点是原生对比度较高,黑色表现相对较好 | |
| 音响系统 | 音响功率 | 10W x 2 (总计 20W) |
| 音效技术 | 基础的 AI Sound (智能音效调节) | |
| 虚拟环绕声 | 支持 | |
| 接口 | HDMI 2.0 x 2 USB 2.0 x 2 RF 输入 (有线电视) x 1 AV Input (三合一) x 1 Digital Audio Output (光纤输出) x 1 |
|
| 智能功能 | 智能平台 | webOS 22 |
| 主要特点 | - Magic Remote (魔法遥控器):支持语音控制和指针操作。 - 内容生态:内置主流视频 App (如腾讯视频、爱奇艺、优酷、Bilibili 等),以及爱芒果等。 - AI 人工智能:具备 AI 画质和 AI 音效调节功能。 - 多屏互动:支持手机、平板等设备投屏。 |
|
| 物理规格 | 尺寸 (不含底座) | 约 972.8 x 568.9 x 77.3 mm |
| 尺寸 (含底座) | 约 972.8 x 621.5 x 217.4 mm | |
| 重量 (不含底座) | 约 7.6 kg | |
| 重量 (含底座) | 约 8.1 kg | |
| 安装孔距 (VESA) | 200 x 200 mm (可以兼容市面上大部分的 43 寸电视壁挂架) | |
| 功耗与能效 | 功耗 | 约 78W |
| 能效等级 | 中国三级能效 |
参数解读与购买建议
优点:
- 4K 分辨率 & webOS 系统:作为一款入门电视,它提供了标准的 4K 分辨率,并且搭载了 LG 独有的 webOS 智能系统,该系统流畅度尚可,内容丰富,操作逻辑对新手也比较友好。
- 性价比高:在 43 英寸这个尺寸段,提供了 4K 分辨率和智能系统,价格通常非常有竞争力,适合预算有限、追求基本 4K 体验的用户。
- VA 面板优势:相比同价位的 IPS 面板,VA 面板原生对比度更高,黑色表现更深邃,在观看电影等暗场画面时有一定优势。
- 接口齐全:配备了 2 个 HDMI 2.0 接口和 2 个 USB 接口,足以满足连接游戏机、电视盒子、硬盘等设备的需求。
- 壁挂兼容性好:标准的 200x200 VESA 孔距,方便用户自行安装壁挂架。
缺点与注意事项:
- 屏幕亮度较低:这是其最大的短板之一,作为入门级产品,屏幕峰值亮度不高,在白天或光线较强的客厅里,画面会显得有些发白,细节丢失严重。更适合在光线较暗的卧室或书房使用。
- 原生刷新率仅为 60Hz:虽然宣传了 TruMotion 120,但这只是软件插帧技术,并不能真正提升原生刷新率,对于玩 FPS 游戏 (如《CS:GO》、《使命召唤》) 60Hz 的流畅度远不如 120Hz 或 144Hz 电视。
- HDR 效果有限:支持 HDR10,但由于屏幕亮度不足,HDR 内容的峰值高光和动态范围效果会大打折扣,基本只能算是一个“认证”。
- 性能一般:1.5GB 的运行内存和入门级处理器,可以保证日常使用流畅,但在打开过多应用或进行复杂操作时,可能会出现轻微卡顿。
- 音响效果普通:20W 的扬声器只能满足基本的听声需求,音量、清晰度和低音表现都比较平淡,对音质有要求的用户建议搭配回音壁或音响使用。
总结与适用人群
LG 43LG61CH-CK 是一款定位非常明确的 “入门级卧室/宿舍 4K 智能电视”。

(图片来源网络,侵删)
它最适合以下人群:
- 预算有限的学生:在宿舍或小房间里使用,满足看剧、上网课的基本需求。
- 租房族:作为临时的客厅电视或卧室电视,性价比高,方便搬运。
- 追求基础 4K 体验的家庭:主要用于观看在线流媒体内容,对画质和音效没有过高要求,只是想从 1080P 升级到 4K。
不太适合的人群:
- 对画质有高要求的影音爱好者:亮度、色域、HDR 表现都无法满足您的需求。
- 重度游戏玩家:60Hz 的刷新率会成为游戏体验的瓶颈。
- 主要在明亮客厅使用的用户:低亮度会让您在白天看电视体验不佳。
如果您需要一台价格实惠、能看 4K 片源的智能电视,并且使用环境光线不会太强,LG 43LG61CH-CK 是一个可以考虑的选择,但如果您的预算稍高,或者对画质、游戏体验有更高要求,建议将预算提高到中端机型,以获得更好的综合体验。

(图片来源网络,侵删)
